加入收藏
联系我们
销售电话:0451-86262530
首页
产品筛选
工业相机
工业镜头
图像采集卡
公司简介
行业动态
应用案例
联系我们
人才招聘
当前位置:
首页
>
机器视觉器件及软件
>
照明光源
>
高亮背光源
>
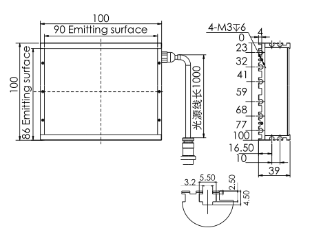
DH-FLG100
产品中心
机器视觉器件及软件
工业相机
图像采集卡
工业镜头
照明光源
3D视觉产品
高速视觉产品
科研级产品
结构激光器
图像处理软件
智能摄像机
教学科研视觉系统
教学实验平台系统
双目多目立体视觉系统
多关节机器人实验系统
大数据存储解决方案
接口转换模块
精密仪器
光学器件
二维光电准直仪
显微光学仪器
标定板
光学平台
DH-FLG100
相关参数
[种类]
高亮背光源
[产品类型]
FLG系列
[输入功率(蓝/绿/白)]
24V/21.6W
[输入功率(红)]
24V/14.4W
商品描述
商品标签