销售电话:0451-86262530
当前位置: 首页 > 精密仪器 > 光学器件 > 电控台 > GCD-203300M

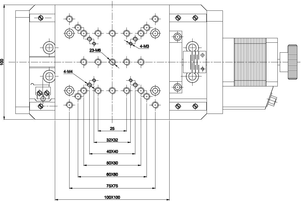
GCD-203300M

相关参数
[台面尺寸] 100x100
[行程] 300

商品描述

 GCD-20、40 系列电控平移台采用直线导轨或十字交叉滚柱导轨作为承载导轨,其优点是承载能力较大,适宜做大行程、重载型平台;但其缺点是抗污染能力较差。垂直使用可选配加装断电保护装置。

 

 



 

型号台面尺寸行程导轨丝杠导程分辨率/单脉冲重复定位最大速度步进电机水平中心负载垂直中心负载安装孔孔距
GCD-202050M75x7550直线导轨滚珠丝杠40.001<0.00340mm/s1.8°20kg5kg25X50
GCD-202100M75x75100直线导轨滚珠丝杠40.001<0.00340mm/s1.8°20kg5kg25X(25~75)
GCD-202150M75x75150直线导轨滚珠丝杠40.001<0.00340mm/s1.8°20kg5kg25X(25~125)
GCD-203050M100x10050直线导轨滚珠丝杠40.001<0.00340mm/s1.8°20kg5kg25X(25~125)
GCD-203100M100x100100直线导轨滚珠丝杠40.001<0.00340mm/s1.8°20kg5kg25X(25~125)
GCD-203200M100x100200直线导轨滚珠丝杠40.001<0.00340mm/s1.8°20kg5kg25X(25~150)
GCD-203300M100x100300直线导轨滚珠丝杠40.001<0.00340mm/s1.8°20kg5kg25X(50~250)
GCD-402050M90x11050交叉滚柱导轨精研丝杠10.00025<0.00510mm/s1.8°5kg1kg75X(25~75)


商品标签

在线咨询 在线咨询 在线咨询 在线咨询