销售电话:0451-86262530
当前位置: 首页 > 精密仪器 > 光学器件 > 电控台 > GCD-302002M

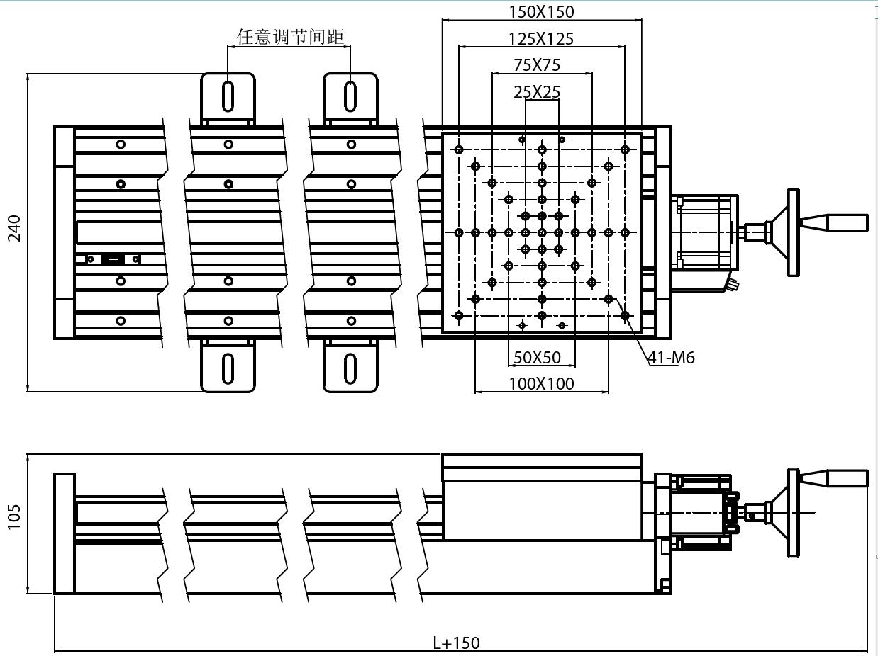
GCD-302002M

相关参数
[台面尺寸] 150x150
[行程] 600

商品描述

 GCD-302 系列电控平移台采用线性圆导轨作为承载导轨,可承受更大的负载,距离更长且运行平稳。

 



 

型号行程台面尺寸行程导轨丝杠导程分辨率/ 单脉冲重复定位最大速度步进电机水平中心负载垂直中心负载安装孔孔距
GCD-302001M597150x150400光杠导轨滚珠丝杠50.001250.0510mm/s1.8°15kg 15kg (190~220)X 任意调节
GCD-302002M797150x150600光杠导轨滚珠丝杠50.001250.0510mm/s1.8°50kg 15kg (190~220)X 任意调节
GCD-302003M997150x150800光杠导轨滚珠丝杠50.001250.0510mm/s1.8°50kg 15kg (190~220)X 任意调节
GCD-302004M1197150x1501000光杠导轨滚珠丝杠50.001250.0510mm/s1.8°50kg 15kg (190~220)X 任意调节
GCD-302005M1712150x1501500光杠导轨滚珠丝杠50.001250.0510mm/s1.8°50kg 15kg (190~220)X 任意调节
GCD-302006M224715 0x1502000光杠导轨滚珠丝杠50.001250.0510mm/s1.8°50kg 15kg (190~220)X 任意调节

 


商品标签

在线咨询 在线咨询 在线咨询 在线咨询